2018/04/24
sponsored link
アドレスV125スペック一覧表
アドレスV125の年式ごとの違いや消耗品など、普段のメンテナンスに役立つ情報を一覧表にしてみました。
レイアウトが崩れて見づらい時はこちらへ→ 「PC用ページ」
| アドレス V125 スペック一覧表 | ||||||||||||||||||||
| 通称 | K5 | K6 | K7 | K9 | K9/UL0/L0 | K9/L0/L1/L3 | ||||||||||||||
| 販売年 | 2005年 | 2006年 | 2007年 | 2009年 | 2010年 | 2012年~13年 | ||||||||||||||
| モデル名 | UZ125K5 UZ125GK5 |
UZ125K6 UZ125GK6 |
UZ125K7 UZ125GK7 UZ125ZK7 |
UZ125K9 UZ125GK9 UZ125ZK9 |
UZ125K9 UZ125SUL0 UZ125SL0 |
UZ125K9 UZ125SL0 UZ125SL1 UZ125SL3 |
||||||||||||||
| 型式 | V125/G (BC-CF46A) |
V125/G/リミテッド (BC-CF46A) |
V125(EBJ-CF4EA) V125Sベーシック (EBJ-CF4MA) V125S(EBJ-CF4MA) |
V125(EBJ-CF4EA) V125S(EBJ-CF4MA) V125Sリミテッド (EBJ-CF4MA) |
||||||||||||||||
| 排ガス規制 | 規制前 | 規制後 | ||||||||||||||||||
| 全長 | 1,750mm | V125 1,750mm V125Sベーシック 1,780mm V125S 1,780mm |
V125 1,750mm V125S 1,780mm |
|||||||||||||||||
| 全幅 | 635mm | |||||||||||||||||||
| 全高 | 1,030mm | V125 1,030mm V125Sベーシック 1,035mm V125S 1,035mm |
V125 1,030mm V125S 1,035mm |
|||||||||||||||||
| 軸間距離 | 1,235mm | |||||||||||||||||||
| 最低地上高 | 120mm | |||||||||||||||||||
| シート高 | 740mm | V125 740mm V125Sベーシック 745mm V125S 745mm |
V125 740mm V125S 745mm |
|||||||||||||||||
| シート 張り替え |
シート張り替えに関しては「シート張り替え」をご覧下さい。 | |||||||||||||||||||
| 総重量 | V125 97kg V125G 98kg |
V125 97kg V125Sベーシック 101kg V125S 101kg |
V125 97kg V125S 101kg |
|||||||||||||||||
| 定地燃費 | 52.0km/L(60km/h) | |||||||||||||||||||
| 最小回転半径 | 1.8m | |||||||||||||||||||
| エンジン型式 | F468・強制空冷・4サイクル・単気筒 | |||||||||||||||||||
| 弁方式 | SOHC・2バルブ | |||||||||||||||||||
| 総排気量 | 124cm3 | |||||||||||||||||||
| 内径×行程 | 53.5mm×55.2mm | |||||||||||||||||||
| 圧縮比 | 9.6 | |||||||||||||||||||
| 最高出力 | 8.4kW〔11.4PS〕 / 7,500rpm | 7.3kW〔9.9PS〕 / 7,500rpm | ||||||||||||||||||
| 最大トルク | 12N・m〔1.2kgf・m〕 /6,000rpm | 10N・m〔1.0kgf・m〕 /6,000rpm | ||||||||||||||||||
| 燃料供給装置形式 | フューエルインジェクションシステム | |||||||||||||||||||
| 始動方式 | キック・セルフ併用式 | |||||||||||||||||||
| 点火方式 | CDI式 | フルトランジスタ式 | ||||||||||||||||||
| 潤滑方式 | 圧送式 | |||||||||||||||||||
| 潤滑油容量 | 1.1L | |||||||||||||||||||
| 燃料タンク容量 | 6.0L | V125 6.0L V125Sベーシック 6.3L V125S 6.3L |
V125 6.0L V125S 6.3L |
|||||||||||||||||
|
燃料添加剤 |
WAKOSワコーズ F-1 フューエルワン 洗浄系燃料添加剤 F112 300ml 燃焼室・吸排気バルブ・インジェクターなどに堆積したカーボン等を除去してくれます。 ガソリン満タン(6.0L)に対して1%を超えない量(60mL未満)を入れる。100均の計量スプーン(1/4CUP)でもOK! さほど高くも無いので1万キロ毎に一回くらいはやっておくべき。即効性は無いので5回~6回ほど続けること。 |
|||||||||||||||||||
| クラッチ形式 | 乾式自動遠心シュータイプ | |||||||||||||||||||
| 変速機形式 | Vベルト無段変速 | |||||||||||||||||||
| 変速比(1速) | 2.681~0.808 | |||||||||||||||||||
| 減速比(1次 / 2次) | 1.000 / 2.647無3.133 | |||||||||||||||||||
| フレーム形式 | アンダーボーン | |||||||||||||||||||
| キャスター / トレール | 26°00′/ 82mm | |||||||||||||||||||
| ブレーキ形式(前/後) | 油圧式ディスク / 機械式リーディングトレーリング | |||||||||||||||||||
|
タイヤ |
フロント純正:90/90-10 50J(外径419mm 幅89mm) ※Fタイヤを100/90-10 56Jに交換するとハンドリングがマイルドになるらしい。 リア純正:100/90-10 56J(外径435mm 幅101mm) |
フロント純正:MAXXIS MA-PRO 90/90-10 78355(外径419mm 幅89mm) リア純正:MAXXIS MA-PRO 100/90-10 78356(外径435mm 幅101mm) ※V125Sの純正はチェンシンタイヤ(MAXXIS MA-PRO)ですが晴天時でもスベり気味な感じだったので7分山ほど残っていましたがD307に履き替えました。D307に換えてからは一度もスベり感はありません。 |
||||||||||||||||||
|
タイヤオススメ |
【オススメ】 MICHELIN S1 90/90-10 50J 838090(フロント) 【オススメ】MICHELIN S1 90/90-10 56J 838100(リア) ※さらに強力なグリップ力を求めるならMICHELINがオススメです。 【大経タイヤ】110/90-10(リア用) |
|||||||||||||||||||
| 盗難防止アラーム | V125 無 V125G 有 |
V125 無 V125Sベーシック 無 V125S 有 |
V125 無 V125S 有 |
|||||||||||||||||
| シャッターキー | V125 無 V125G 有 |
V125 有 V125Sベーシック 有 V125S 有 |
V125 有 V125S 有 |
|||||||||||||||||
| DCソケット | V125 無 V125G 有 |
V125 無 V125Sベーシック 無 V125S 無 |
V125 無 V125S 無 |
|||||||||||||||||
| サイドスタンド | V125 無 V125G 有 |
V125 無 V125Sベーシック 有 V125S 有 |
V125 無 V125S 有 |
|||||||||||||||||
| 通称 | K5 | K6 | K7 | K9 | K9/UL0/L0 | K9/L0 | ||||||||||||||
|
sponsored link
sponsored link
|
||||||||||||||||||||
| 通称 | K5 | K6 | K7 | K9 | K9/UL0/L0 | K9/L0 | ||||||||||||||
| ヘッドライト/テールランプ | 交流AC
※全波整流化したい方はアドレスV125の単相交流全波整流化マニュアルを参照 |
直流DC | ||||||||||||||||||
|
【純正ヘッドライトバルブ】形状/HI/LO(部品番号) 社外品 |
【K5~K9】PH12/40W/40W(部品番号:09471-12200) 【ハロゲン】RAYBRIG RR98(PH12) 【HID】CF46Aシリーズ用 PH12 25W 6000K 【LED】LEDヘッドライトバルブ(PH12)00076460 |
【K9】PH12/40W/40W (部品番号:09471-12200) 【UL0】PH11/40W/40W 【L0】PH11/40W/40W 【ハロゲン】RAYBRIG RR98(PH12) 【ハロゲン】RAYBRIG RR96(PH11) 【HID】CF46Aシリーズ用 PH12 25W 6000K 【LED】LEDヘッドライトバルブ(PH12)00076460 |
【K9】PH12/40W/40W (部品番号:09471-12200) 【L0】PH11/40W/40W 【ハロゲン】RAYBRIG RR98(PH12) 【ハロゲン】RAYBRIG RR96(PH11) 【HID】CF46Aシリーズ用 PH12 25W 6000K 【LED】LEDヘッドライトバルブ(PH11)00076777 |
|||||||||||||||||
| バルブ参考図 | ![]() |
|||||||||||||||||||
|
フロントウィンカー&リアウィンカー(形状/W) |
※アドレスV125系のフロントウィンカーはリフレクターの反射で光を拡散しているので、前方ではなく周囲を照らすような電球が必要です。 ※管理人所有のV125Sのフロントウィンカーには「最大全長30mm/最大直径11mm」までの電球が入りました(経験談) 管理人イチオシ→【LED】T10 アンバー色 LEDウィンカー球 純正ウェッジ球【K5~K7】T10/16W(部品番号:09471-12146) 【ガラス球】RAYBRIG ハイパーバルブ・プラチナホワイト(3800K) R130 ※ウィンカーをLEDに変えただけではハイフラ状態(高速で点滅を繰り返す)になるので 【LED対応リレー】KITACO LEDウインカー対応リレー 755-2409900 |
|||||||||||||||||||
| メーター球 (形状/W) |
【K5~K7】T10/16W(部品番号:09471-12146)
【ガラス球】RAYBRIG ハイパーバルブ・プラチナホワイト(3800K) R138 |
【K9】T10/16W(部品番号:09471-12146) 【UL0】LED内蔵 【L0】LED内蔵 |
【K9】T10/16W(部品番号:09471-12146) 【L0】LED内蔵 |
|||||||||||||||||
| 参考図 | ![]() |
|||||||||||||||||||
| テールランプ (ガラス球/タイプ/口金/W/W) |
S25/ダブル/BAY15d/21W/5W(部品番号:09471-12119)
【ガラス球】RAYBRIG ハイパーバルブ・クリア R113 |
|||||||||||||||||||
| 参考図 |
|
|||||||||||||||||||
| バッテリー (型番) |
台湾ユアサ(YTX7A-BS) ※アドレスV125の収納サイズ:高93mm 幅87mm 長150mmまで 【テスター】デジタルマルチテスターMAS830L-Black Face 【人気充電器】BAL バイク用充電器 No.1734 ※さらにマニアックに改造したい場合はドナーズパパの今日はまじめに仕事してますを参照 |
|||||||||||||||||||
| Vベルト (純正) |
幅19.4mm 長さ(外周)731mm(部品番号:27601-33G00)
【社外品】DAYTONA 強化Vベルト(61171) |
|||||||||||||||||||
|
駆動系 |
|
|||||||||||||||||||
| ウェイトローラー(純正) | 20Φ×15 17g(部品番号:21650-33G00) |
20Φ×15 19g(部品番号:21650-33G60) |
||||||||||||||||||
| アドレスV125 最高速 |
規制前のものでは純正状態で100km/h~105km/h。 規制後のもので95km/h~100km/hくらいというものが大半らしいです。 |
|||||||||||||||||||
| プラグ型番 (純正) |
NGK CR6HSA | |||||||||||||||||||
|
マフラー形状:K5~L0共通 |
V125 無 V125G 無 【社外マフラー】 |
V125 有 V125G 有 |
V125 有 V125Sベーシック 有 V125S 有 【社外マフラー】 |
V125 有 V125S 有 |
||||||||||||||||
| ミラー(穴径)車体側 | 左右:8mm正ネジ
【10mmミラーを付けるなら】TANAX ネジ径変換アダプタ― C-1(左右セット) |
左:10mm正ネジ 右:10mm逆ネジ 【8mmミラーを付けるなら】TANAX ネジ径変換アダプタ― C-4(左右セット) |
||||||||||||||||||
|
ブレーキパッド&シュー(純正) |
Fブレーキパッド(部品番号:59301-20890) Rブレーキシュー(部品番号:64400-33820) 【社外品】DAYTONA ゴールデンパッド 68264 【社外品】DAYTONA プロブレーキシュー 60275 |
|||||||||||||||||||
|
ブレーキホース(純正) |
ホース(全長935mm、ゴム製) 上バンジョー(穴径10mm、厚さ10.7mm、20度) 下バンジョー(穴径10mm、厚さ10.7mm、ストレート) ※ステンメッシュホースへ変更するなら全長875mm~900mmが最適かも。 |
|||||||||||||||||||
|
ディスクローター(純正) |
直径160mm・厚さ4mm(部品番号:59221-33G01)
200mmタイプが最も人気だが、最大で220mmタイプまで装着可能である。 【大経ローター】KITACO ノーマルキャリパー用 500-2407880 |
|||||||||||||||||||
|
ブレーキケーブル |
アウター長:全車種共通 1765mm![]()
【社外品K5~K6】KITACO 強化ブレーキケーブル(ハードタッチ) 906-2407300 ※「純正相当」や「純正タイプ」は純正品ではありませんので間違えないように |
|||||||||||||||||||
|
速度・距離の取得 |
フロント(ワイヤー式)
純正メーターケーブル (部品番号:34938-33G00) ※「純正相当」や「純正タイプ」は純正品ではありませんので間違えないように |
V125 フロント(ワイヤー式) V125Sベーシック |
V125 フロント(ワイヤー式) V125S |
|||||||||||||||||
| メーカー希望小売価格 | V125 208,950円 V125G 229,950円 |
V125 208,950円 V125G 229,950円 |
V125 208,950円 V125G 229,950円 |
V125 236,250円 V125G 257,250円 |
V125 236,250円 V125Sベーシック 250,950円 V125S 261,450円 |
V125 236,250円 V125S 261,450円 |
||||||||||||||
|
備考 |
****** | ****** | 2008年1月 V125Gリミテッドを限定発売 |
2008年12月 V125Gリミテッドを限定発売 2010年?月 V125Gが生産終了 |
2011年10月 V125Sリミテッドを発売 2011年?月 V125Sベーシック生産終了 燃料タンク0.3L増量(L0のみ) |
2011年10月 V125Sリミテッドを発売 ※L0~L3は変更点無し(出荷年が違うだけ) |
||||||||||||||
| 通称 | K5 | K6 | K7 | K9 | K9/UL0/L0 | K9/L0 | ||||||||||||||
|
sponsored link
sponsored link
|
||||||||||||||||||||
| 通称 | K5 | K6 | K7 | K9 | K9/UL0/L0 | K9/L0 | ||||||||||||||
|
その他 |
※【】内は純正部品番号です |
|||||||||||||||||||
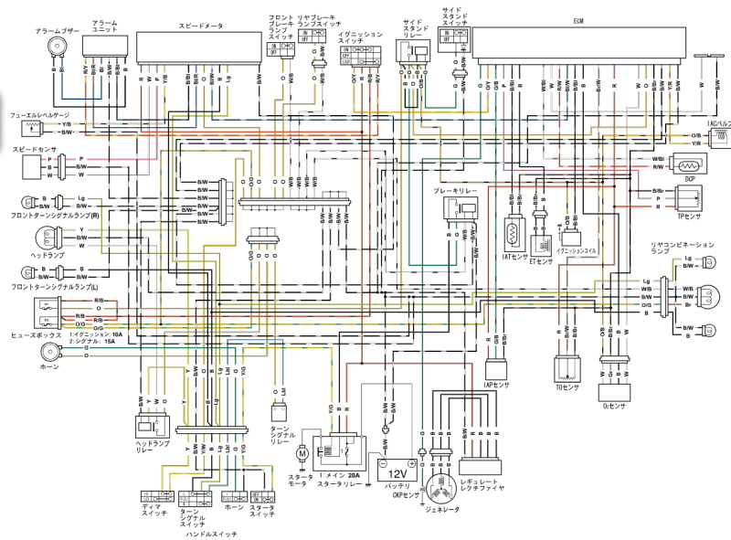
|
配線図 |
|
|||||||||||||||||||
|
オイル交換 |
|
|||||||||||||||||||
|
サイドスタンドインターロック機能の解除方法 |
|
|||||||||||||||||||
|
盗難防止 |
|
|||||||||||||||||||
|
U字ロック |
|
|||||||||||||||||||
| よく無くすパーツ |
|
|||||||||||||||||||



![SP武川製 アドレスV125/125S サイレントボンバーマフラー(政府認証マフラー)★アドレスV125/アドレスV125S/SUZUKI[ADDRESS V125/ADDRESS V125S]04-02-2744](https://ecx.images-amazon.com/images/I/41oTvyYwHOL._SX120_.jpg)

 110-103-5381](https://ecx.images-amazon.com/images/I/51IwDij2eiL._SX120_.jpg)
















